振動篩12年生產廠家
過濾,除雜,分級


全國統一銷售熱線

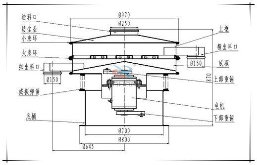
DH-800-2S振動篩為800mm直徑兩層三個出料口不鏽鋼振動篩,子母雙層網分離式網架,與物料接觸部分為304不鏽鋼材質,底座為碳鋼材質。

關於“振動篩”:這個名稱是所有振動篩分設備類產品的總稱,確切點講這種圓形的振動篩根據國家相關標準叫“旋振篩”,由於其振動運轉原理很多企業也稱之為“三次元振動篩分過濾機”。



☆ 效率高、設計精巧耐用,粉類、粘液均可篩分。
☆ 換網容易、操作簡單、清洗方便。
☆ 網孔不堵塞、粉末不飛揚、可篩至400目或0.028mm。
☆ 雜質、粗料自動排出,可以連續作業。



振動篩用與原理:基本原理由直立式振動電機作為激振源,電機上、下兩端安裝有偏心重錘,將電機的旋轉運動轉變為水平、垂直、傾斜的三次元運動,再把這個運動傳遞給篩麵。調節上、下兩端的相位角,可以改變物料在篩麵上的運動軌跡。

化工行業:樹脂、塗料、工業藥品、化妝品、油漆、中藥粉等。
食品行業:糖粉、澱粉、食鹽、米粉、奶粉、豆漿、蛋粉、醬油、果汁等。
金屬、冶金礦業:鋁粉、鉛粉、銅粉、礦石、合金粉、焊條粉末、二氧化錳、電解銅粉、電磁性材料、研磨粉、耐火材料、高嶺土、石灰、氧化鋁、重質碳酸鈣、石英砂等。
公害處理:廢油、廢水、染整廢水、助劑、活性碳等。

1.保修期內非因操作不當造成需要更換的零配件及設備由我廠負責包修、包換。
2.質量保證期結束後,我廠將繼續免費提供售後服務,不限年份終身服務,僅收取零部件成本費,免收人工費,免收維修費。
為了向您提供完善的售後服務,請將您的寶貴意見、建jian議yi及ji要yao求qiu反fan饋kui給gei我wo廠chang。我wo們men感gan謝xie貴gui單dan位wei使shi用yong我wo廠chang的de產chan品pin,我wo廠chang建jian立li有you完wan整zheng的de營ying銷xiao網wang絡luo及ji完wan善shan的de售shou後hou服fu務wu體ti係xi,售shou後hou服fu務wu部bu已yi將jiang您nin購gou買mai的de產chan品pin建jian立li了le信xin息xi檔dang案an。如ru果guo您nin購gou買mai的de產chan品pin出chu現xian質zhi量liang問wen題ti,我wo們men將jiang及ji時shi為wei您nin提ti供gong全quan方fang位wei的de服fu務wu。
Copyright © 2007-2019 振動篩廠家-新鄉市大漢振動機械有限公司 | All Rights Reserved 版權所有
備案序號:豫ICP備09002479號-1