振動篩12年生產廠家
過濾,除雜,分級

5噸產量:
80-600目目數:
適合有靜電,吸附性,輕比重的細粉物料,如3D打印材料,合金粉末,不鏽鋼粉,鋁粉等

全國統一銷售熱線

3D打印材料氣體保護振動篩主要用於3D打印材料的回收利用,采用超聲波篩分係統和惰性氣體保護係統,可提高篩分效率,能避免細微粉末的吸附、團聚、產生靜電等問題,降低篩網網孔堵塞,3D打(da)印(yin)材(cai)料(liao)在(zai)篩(shai)分(fen)是(shi)不(bu)能(neng)與(yu)空(kong)氣(qi)接(jie)觸(chu),因(yin)此(ci)采(cai)用(yong)本(ben)產(chan)品(pin)在(zai)篩(shai)分(fen)過(guo)程(cheng)中(zhong)加(jia)入(ru)惰(duo)性(xing)氣(qi)體(ti)保(bao)護(hu)係(xi)統(tong),可(ke)自(zi)動(dong)控(kong)製(zhi)含(han)氧(yang)量(liang),防(fang)止(zhi)金(jin)屬(shu)粉(fen)末(mo)與(yu)空(kong)氣(qi)接(jie)觸(chu),保(bao)證(zheng)3D打印材料的純度和質量。
3D打印材料氣體保護振動篩除用於3D打印材料的篩分,還可用於600目內的精細敏感易產生反應的粉末類物料篩分,具體物料有金屬粉末、合金粉末、鈦合金、石墨粉、不鏽鋼粉末、鋁粉、鈦粉、銅粉、碳化矽、鉬粉、不鏽鋼粉、鎢粉等新型材料和3D打印材料的篩分。

加裝惰性氣體保護體統,避免活性物料變質
配超聲波清網裝置,促進物料快速過網,不堵網,可自動清網
篩分精度可提高1-70%,產量可提高0.5-10倍
進料口處法蘭設計,與上端機器鏈接,自動化篩分
封閉式粉末回收,避免與空氣接觸,發生變質。

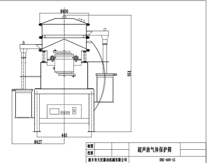
3D打印材料氣體保護振動篩是將220V、50Hz或110V、60Hz電能轉化為18KHz的高頻電能,輸入超聲換能器,將其變成18KHz機械振動,物料在篩網上做低頻三次元振動,疊加上超聲波振動,實現高效篩分和清網的目的。

| 型 號 | 篩分麵積 | 有效篩分直徑 | 篩網規格 | 層數 | 振動電機功率 |
| DHC-400 | 0.0907 | 340 | 80-600目 | 1-3 | 0.18 |
| DHC-600 | 540 | 0.2289 | 0.25 | ||
| DHC-800 | 730 | 0.4183 | 0.55 | ||
| DHC-1000 | 900 | 0.6359 | 0.75 | ||
| DHC-1200 | 1100 | 0.9499 | 1.1 | ||
| DHC-1500 | 1400 | 1.5386 | 1.5 | ||
| DHC-1800 | 1700 | 2.2687 | 2.2 | ||
| DHC-2000 | 1886 | 2.7922 | 2.2 |