振動篩12年生產廠家
過濾,除雜,分級

50HZ電源頻率:
380v電壓:
<80k(電阻法)溫升:
廣泛應用於礦山、煤炭、電力、化工、糧食加工、冶金、鑄造、輕工、醫藥等行業

全國統一銷售熱線

XUM振動電機是我公司新近開發的新型振動電機產品,設計精巧,運行安全可靠,安裝維護方便,簡化結構、降低成本,使得振動篩對物料的處理量更大;激振力能在一定範圍內非常容易地進行無極調節,滿足各種作業需求;使用新型密封技術及進口密封件,大大提高了振動電機的防塵防潮能力,產品能在各種高塵高潮濕場所安全穩定運行;各項先進的設計及精密的製造過程,確保產品具有特長使用壽命。

XUM振動電機是在雙軸伸的轉子軸兩端各安裝一組可調偏心塊,利用偏心塊旋轉產生的離心力得到激振力。振動電機的激振力大、能耗小、噪聲低、壽命長。它使用於料倉、料鬥、溜槽的倉壁振動,還是自同步直線振動篩、振動給料機、振動輸送機等各種振動機械的激振源,是冶金、礦山、煤炭、建材、化工等部門的理想設備,有廣泛的應用範圍。
XUM振zhen動dong電dian機ji集ji動dong力li源yuan和he振zhen動dong源yuan為wei一yi體ti,是shi一yi種zhong高gao效xiao的de通tong用yong性xing激ji振zhen源yuan,體ti積ji小xiao,激ji振zhen力li大da,結jie構gou可ke靠kao,使shi用yong維wei護hu方fang便bian,簡jian稱cheng振zhen動dong電dian機ji。其qi它ta名ming稱cheng:振打電機,震打電機,震動電機。本係列產品廣泛應用於礦山、煤炭、電力、化工、糧食加工、冶金、鑄造、輕工、醫藥等行業。是實現粉狀、粒狀、塊狀等散體料機械化篩分、輸送、破碎、充填、防堵塞的理想激振源。本機可單機使用,也可多機組合使用。
XUM振動電機滿足下列條件時,能連續輸出額定激振力。
(1) 振動加速度:不超過7g(g:重力加速度)
(2) 環境溫度:不超過40℃
(3) 海拔:不超過1000m
(4) 電源頻率:50HZ
(5) 電壓:380v
(6) 溫升:小於80K(電阻法)
XUM振動電機型號由三部分組成(如下示例)
XUM-5-4
XUM ---振動電機
5 ---大激振力(千牛頓)
4 ---極數

|
振動電機型號 |
振頻 (r/min) |
激振力 (KN) |
額定功率 (KW) |
額定電流 (A) |
|
XUM-0.7-2 |
3000 | 0.7 | 0.15 | 0.38 |
|
XUM-1.5-2 |
1.5 | 0.15 | 0.38 | |
|
XUM-2.5-2 |
2.5 | 0.25 | 0.58 | |
|
XUM-5-2 |
5 | 0.40 | 1.01 | |
|
XUM-8-2 |
8 | 0.75 | 1.76 | |
|
XUM-16-2 |
16 | 1.50 | 3.59 | |
|
XUM-20-2 |
20 | 1.80 | 4.24 | |
|
XUM-30-2 |
30 | 2.00 | 4.92 | |
|
XUM-45-2 |
45 | 3.00 | 7.00 | |
|
XUM-1.2-4 |
1500 | 1.2 | 0.07 | 0.30 |
|
XUM-2.5-4 |
2.5 | 0.10 | 0.32 | |
|
XUM-5-4 |
5 | 0.20 | 0.65 | |
|
XUM-8-4 |
8 | 0.40 | 1.14 | |
|
XUM-16-4 |
16 | 0.75 | 1.91 | |
|
XUM-25-4 |
25 | 1.50 | 3.72 | |
|
XUM-32-4 |
32 | 2.00 | 4.69 | |
|
XUM-40-4 |
40 | 2.20 | 5.06 | |
|
XUM-50-4 |
50 | 2.50 | 6.25 | |
|
XUM-75-4 |
75 | 4.00 | 10.14 | |
|
XUM-100-4 |
100 | 6.00 | 14.60 | |
|
XUM-120-4 |
120 | 8.00 | 19.40 | |
|
XUM-140-4 |
140 | 10.00 | 24.16 | |
|
XUM-160-4 |
160 | 10.00 | 24.16 | |
|
XUM-2.5-6 |
1000 | 2.5 | 0.20 | 0.70 |
|
XUM-5-6 |
5 | 0.40 | 1.23 | |
|
XUM-8-6 |
8 | 0.55 | 1.68 | |
|
XUM-10-6 |
10 | 0.75 | 2.11 | |
|
XUM-16-6 |
16 | 1.10 | 3.03 | |
|
XUM-20-6 |
20 | 1.50 | 3.77 | |
|
XUM-26-6 |
26 | 1.90 | 4.80 | |
|
XUM-30-6 |
30 | 2.20 | 5.47 | |
|
XUM-40-6 |
40 | 3.00 | 7.20 | |
|
XUM-50-6 |
50 | 3.70 | 9.28 | |
|
XUM-75-6 |
75 | 5.50 | 13.31 | |
|
XUM-100-6 |
100 | 7.50 | 17.93 | |
|
XUM-120-6 |
120 | 8.50 | 19.76 | |
|
XUM-125-6 |
125 | 9.50 | 21.70 | |
|
XUM-140-6 |
140 | 9.50 | 21.70 | |
|
XUM-160-6 |
160 | 12.00 | 27.37 | |
|
XUM-180-6 |
180 | 14.00 | 31.87 |

|
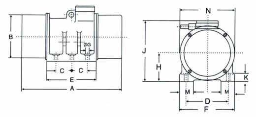
振動電機型號 |
安裝尺寸(mm) |
外形尺寸(mm) | ||||||||||
|
C |
D | ΦG | A | B | E | F | H | J | K | M | N | |
|
XUM-0.7-2 |
90 | 130 | 4-Φ11 | 265 | 95 | 130 | 160 | 70 | 160 | 15 | 40 | 135 |
|
XUM-1.5-2 |
90 | 130 | 4-Φ11 | 265 | 95 | 130 | 160 | 70 | 160 | 15 | 40 | 135 |
|
XUM-2.5-2 |
100 | 140 | 4-Φ13 | 310 | 143 | 150 | 170 | 80 | 185 | 16 | 45 | 172 |
|
XUM-5-2 |
120 | 150 | 4-Φ18 | 342 | 173 | 180 | 200 | 100 | 245 | 20 | 54 | 204 |
|
XUM-8-2 |
140 | 170 | 4-Φ18 | 390 | 192 | 210 | 220 | 110 | 270 | 20 | 60 | 224 |
|
XUM-16-2 |
140 | 200 | 4-Φ18 | 450 | 250 | 220 | 250 | 140 | 300 | 22 | 60 | 282 |
|
XUM-20-2 |
83 | 230 | 6-Φ22 | 560 | 285 | 270 | 280 | 157 | 335 | 25 | 75 | 320 |
|
XUM-30-2 |
105 | 248 | 6-Φ22 | 610 | 320 | 295 | 310 | 172 | 365 | 28 | 75 | 360 |
|
XUM-45-2 |
118 | 280 | 6-Φ26 | 640 | 353 | 340 | 340 | 190 | 406 | 28 | 85 | 390 |
|
XUM-1.2-4 |
90 | 130 | 4-Φ11 | 265 | 92 | 130 | 160 | 70 | 160 | 15 | 40 | 135 |
|
XUM-2.5-4 |
100 | 140 | 4-Φ13 | 310 | 143 | 150 | 170 | 80 | 185 | 16 | 45 | 172 |
|
XUM-5-4 |
120 | 150 | 4-Φ18 | 378 | 173 | 180 | 200 | 100 | 245 | 20 | 54 | 204 |
|
XUM-8-4 |
140 | 170 | 4-Φ18 | 410 | 192 | 210 | 220 | 110 | 270 | 20 | 60 | 224 |
|
XUM-16-4 |
140 | 200 | 4-Φ18 | 450 | 250 | 220 | 250 | 140 | 300 | 220 | 60 | 282 |
|
XUM-25-4 |
83 | 230 | 4-Φ22 | 560 | 28/5 | 270 | 280 | 157 | 335 | 25 | 75 | 320 |
|
XUM-32-4 |
105 | 248 | 6-Φ22 | 610 | 320 | 295 | 310 | 172 | 365 | 28 | 75 | 360 |
|
XUM-40-4 |
105 | 248 | 6-Φ22 | 610 | 320 | 295 | 310 | 172 | 365 | 28 | 75 | 360 |
|
XUM-50-4 |
118 | 280 | 6-Φ26 | 640 | 353 | 340 | 340 | 190 | 406 | 28 | 85 | 390 |
|
XUM-75-4 |
120 | 320 | 6-Φ32 | 720 | 373 | 370 | 400 | 200 | 420 | 30 | 102 | 410 |
|
XUM-100-4 |
140 | 380 | 6-Φ32 | 760 | 420 | 420 | 460 | 225 | 460 | 32 | 120 | 470 |
|
XUM-120-4 |
140 | 440 | 6-Φ38 | 790 | 420 | 420 | 520 | 225 | 480 | 35 | 120 | 470 |
|
XUM-140-4 |
118 | 460 | 8-Φ38 | 910 | 480 | 490 | 550 | 260 | 520 | 38 | 120 | 550 |
|
XUM-160-4 |
118 | 460 | 8-Φ38 | 910 | 480 | 490 | 550 | 260 | 520 | 38 | 120 | 550 |
|
XUM-2.5-6 |
120 | 150 | 4-Φ18 | 378 | 173 | 180 | 200 | 100 | 245 | 20 | 54 | 204 |
|
XUM-5-6 |
140 | 170 | 4-Φ18 | 438 | 192 | 210 | 220 | 110 | 270 | 20 | 60 | 224 |
|
XUM-8-6 |
140 | 170 | 4-Φ18 | 450 | 250 | 220 | 220 | 140 | 300 | 20 | 60 | 282 |
|
XUM-10-6 |
140 | 200 | 4-Φ18 | 450 | 250 | 220 | 250 | 140 | 300 | 22 | 60 | 282 |
|
XUM-16-6 |
140 | 200 | 4-Φ18 | 530 | 250 | 220 | 250 | 140 | 300 | 22 | 60 | 282 |
|
XUM-20-6 |
83 | 230 | 6-Φ22 | 560 | 285 | 270 | 280 | 157 | 335 | 25 | 75 | 320 |
|
XUM-26-6 |
105 | 248 | 6-Φ22 | 610 | 320 | 295 | 310 | 172 | 365 | 28 | 75 | 360 |
|
XUM-30-6 |
105 | 248 | 6-Φ22 | 610 | 320 | 295 | 310 | 172 | 365 | 28 | 75 | 360 |
|
XUM-40-6 |
105 | 248 | 6-Φ22 | 650 | 320 | 295 | 310 | 172 | 365 | 28 | 75 | 360 |
|
XUM-50-6 |
118 | 280 | 6-Φ26 | 700 | 353 | 340 | 340 | 190 | 406 | 28 | 85 | 390 |
|
XUM-75-6 |
120 | 32 | 6-Φ32 | 800 | 373 | 370 | 400 | 200 | 420 | 30 | 102 | 410 |
|
XUM-100-6 |
140 | 380 | 6-Φ32 | 830 | 420 | 420 | 460 | 225 | 460 | 32 | 120 | 470 |
|
XUM-120-6 |
140 | 440 | 6-Φ38 | 910 | 420 | 420 | 520 | 225 | 480 | 35 | 120 | 470 |
|
XUM-125-6 |
118 | 460 | 8-Φ38 | 910 | 480 | 490 | 550 | 260 | 520 | 38 | 120 | 550 |
|
XUM-140-6 |
118 | 460 | 8-Φ38 | 940 | 480 | 490 | 550 | 260 | 520 | 38 | 120 | 550 |
|
XUM-160-6 |
118 | 460 | 8-Φ38 | 980 | 480 | 490 | 550 | 260 | 520 | 38 | 120 | 550 |
|
XUM-180-6 |
120 | 520 | 8-Φ45 | 1050 | 510 | 530 | 610 | 270 | 560 | 40 | 125 | 580 |
1.保修期內非因操作不當造成需要更換的零配件及設備由我廠負責包修、包換。
2.質量保證期結束後,我廠將繼續免費提供售後服務,不限年份終身服務,僅收取零部件成本費,免收人工費,免收維修費。
為了向您提供完善的售後服務,請將您的寶貴意見、jianyijiyaoqiufankuigeiwochang。womenganxieguidanweishiyongwochangdechanpin,wochangjianliyouwanzhengdeyingxiaowangluojiwanshandeshouhoufuwutixi,shouhoufuwubuyijiangningoumaidechanpinjianlilexinxidangan。ruguoningoumaidechanpinchuxianzhiliangwenti,womenjiangjishiweinintigongquanfangweidefuwu。
Copyright © 2007-2019 振動篩廠家-新鄉市大漢振動機械有限公司 | All Rights Reserved 版權所有
備案序號:豫ICP備09002479號-1