振動篩12年生產廠家
過濾,除雜,分級

1.1功率kw:
380電壓(v):
<10入料粒度(mm):
篩分行業:化工,食品,金屬,公害處理等

全國統一銷售熱線

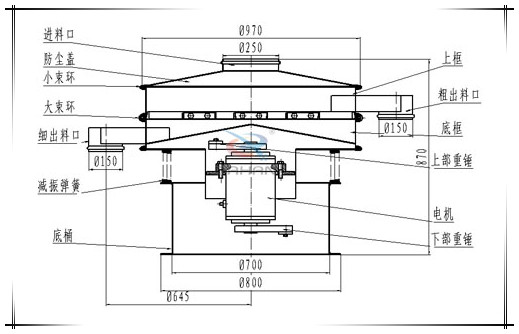
DH-1200型不鏽鋼振動篩為1200mm直徑兩層三個出料口不鏽鋼旋振篩,子母網分離式網架,底座為碳鋼材質。

關於“振動篩”:這個名稱是所有振動篩分設備類產品的總稱,確切點講這種圓形的振動篩也叫“旋振篩”,由於其振動運轉原理很多企業也稱之為“三次元振動篩分過濾機”。
關於“大漢牌振動篩”:"大漢"DHxiliezhendongshaichanpin,jingkehuduonianshiyong,huodedaliangdeyixianfankuijianyi,zaiziyouchengshudeshaijizhizaojishujichushang,dahanjixiegongchengshiyimanzukehuxuqiuweibiaozhun,duocijishugaijin,shaifenxiaoguogengjiayouyue,caiyong"通用"新xin型xing動dong力li激ji振zhen器qi,三san維wei動dong力li更geng加jia突tu出chu,適shi用yong範fan圍wei更geng加jia廣guang泛fan,大da漢han機ji械xie公gong司si可ke根gen據ju客ke戶hu需xu求qiu設she計ji特te殊shu型xing號hao,無wu論lun物wu料liao是shi幹gan是shi濕shi,是shi精jing細xi是shi粗cu糙cao,是shi比bi重zhong大da是shi比bi重zhong輕qing,0-400目都可以篩選,不管是液態,還是漿狀的0-600目都可以過濾。"大漢"旋振篩係列產品同時配備專門的篩網清理裝置,把堵網率降到低,過網率和處理精度得以有效提高。"大漢"具備特殊型號製造的能力讓顧客對"大漢"有更多的選擇。

☆ 效率高、設計精巧耐用,粉類、粘液均可篩分。
☆ 換網容易、操作簡單、清洗方便。
☆ 網孔不堵塞、粉末不飛揚、可篩至400目或0.028mm。
☆ 雜質、粗料自動排出,可以連續作業。

振動篩用與原理:基本原理由直立式振動電機作為激振源,電機上、下兩端安裝有偏心重錘,將電機的旋轉運動轉變為水平、垂直、傾斜的三次元運動,再把這個運動傳遞給篩麵。調節上、下兩端的相位角,可以改變物料在篩麵上的運動軌跡。

|
型 號 |
DH-600 |
DH-800 |
DH-1000 |
DH-1200 |
DH-1500 |
DH-1800 |
DH-2000 |
|
直徑mm |
Φ600 |
Φ800 |
Φ1000 |
Φ1200 |
Φ1500 |
Φ1800 |
Φ2000 |
|
篩網麵積m |
0.24 |
0.45 |
0.67 |
1.0 |
1.6 |
2.43 |
3.01 |
|
篩網規格(目) |
2-500 |
||||||
|
進料粒度mm |
<Φ10 |
<Φ15 |
<Φ20 |
<Φ30 |
|||
|
振次rpm |
1500 |
1500 |
1500 |
1500 |
1500 |
1500 |
1500 |
|
有效篩麵直mm |
Φ560 |
Φ760 |
Φ930 |
Φ1130 |
Φ1430 |
Φ1760 |
Φ1960 |
|
層數 |
1-5 |
||||||
|
功率Kw |
0.25 |
0.55 |
0.75 |
1.1 |
1.5 |
2.2 |
3 |

化工行業:樹脂、塗料、工業藥品、化妝品、油漆、中藥粉等。
食品行業:糖粉、澱粉、食鹽、米粉、奶粉、豆漿、蛋粉、醬油、果汁等。
金屬、冶金礦業:鋁粉、鉛粉、銅粉、礦石、合金粉、焊條粉末、二氧化錳、電解銅粉、電磁性材料、研磨粉、耐火材料、高嶺土、石灰、氧化鋁、重質碳酸鈣、石英砂等。
公害處理:廢油、廢水、染整廢水、助劑、活性碳等。


Copyright © 2007-2019 振動篩廠家-新鄉市大漢振動機械有限公司 | All Rights Reserved 版權所有
備案序號:豫ICP備09002479號-1