振動篩12年生產廠家
過濾,除雜,分級

100-3300kg/h處理量:
0.18-2.2kw功率:
<10mm入料粒度:
特點:不用工人不間斷投料節省人工,蝶閥控製流量大小
適用:用於0-400目的粉狀,顆粒狀等幹式物料,可過濾0-600目漿液等液體物料。
選型要點
按材質分:碳鋼,不鏽鋼(食品,醫藥行業專用),塑料(耐強酸,強堿腐蝕)
按型號分:直徑400mm-1800mm

移動式振動篩又叫振動篩料倉一體機,底部加裝萬向輪,可360度(du)旋(xuan)轉(zhuan)移(yi)動(dong),主(zhu)要(yao)應(ying)用(yong)於(yu)篩(shai)分(fen)場(chang)所(suo)不(bu)固(gu)定(ding)的(de)環(huan)境(jing),便(bian)於(yu)用(yong)戶(hu)移(yi)動(dong),滿(man)足(zu)不(bu)同(tong)地(di)點(dian)的(de)工(gong)作(zuo)需(xu)要(yao)。通(tong)過(guo)調(tiao)節(jie)料(liao)倉(cang)中(zhong)的(de)蝶(die)閥(fa)從(cong)而(er)控(kong)製(zhi)物(wu)料(liao)進(jin)入(ru)振(zhen)動(dong)篩(shai)的(de)流(liu)量(liang),然(ran)後(hou)振(zhen)動(dong)篩(shai)進(jin)行(xing)篩(shai)分(fen)作(zuo)業(ye),本(ben)品(pin)的(de)特(te)點(dian)間(jian)歇(xie)性(xing)加(jia)料(liao),不(bu)用(yong)工(gong)人(ren)不(bu)間(jian)斷(duan)投(tou)料(liao)節(jie)省(sheng)人(ren)工(gong),蝶(die)閥(fa)控(kong)製(zhi)流(liu)量(liang)大(da)小(xiao)能(neng)提(ti)高(gao)篩(shai)分(fen)精(jing)度(du)。


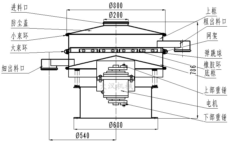
移動式振動篩由直立式振動電機作為激振源,電機上、下兩端安裝有偏心重錘,將電機的旋轉運動轉變為水平、垂直、傾斜的三次元運動,再把這個運動傳遞給篩麵進行篩分。調節上、下兩端的相位角,可以改變物料在篩麵上的運動軌跡。



化工行業:樹脂、塗料、工業藥品、化妝品、油漆、中藥粉等。
食品行業:糖粉、澱粉、食鹽、米粉、奶粉、豆漿、蛋粉、醬油、果汁等。
金屬、冶金礦業:鋁粉、鉛粉、銅粉、礦石、合金粉、焊條粉末、二氧化錳、電解銅粉、電磁性材料、研磨粉、耐火材料、高嶺土、石灰、氧化鋁、重質碳酸鈣、石英砂等。
公害處理:廢油、廢水、染整廢水、助劑、活性碳等。

大漢振動篩廠家可根據客戶需求設計特殊型號,無論物料是幹是濕,是精細是粗糙,是比重大是比重輕,0-400目都可以篩選,不管是液態的,還是漿狀的0-600目都可以過濾."大漢"旋振篩係列產品同時配備專門的篩網清理裝置,把堵網率降到低,過網率和處理精度得以有效提高."大漢"具備特殊型號製造的能力讓顧客對"大漢"有更多的選擇。

Copyright © 2007-2019 振動篩廠家-新鄉市大漢振動機械有限公司 | All Rights Reserved 版權所有
備案序號:豫ICP備09002479號-1